导读
接地变压器简称接地变,根据填充介质,接地变可分为油式和干式;根据相数,接地变可分为三相接地变和单相接地变。接地变压器的作用是为中性点不接地的系统提供一个人为的中性点,便于采用消弧线圈或小电阻的接地方式,以减小配电网发生接地短路故障时的对地电容电流大小,提高配电系统的供电可靠性。
电力系统中的6kV、10kV、35kV电网中一般都采用中性点不接地的运行方式。电网中主变压器低压侧一般为三角形接法,没有可以接地的中性点。当中性点不接地系统发生单相接地故障时,线电压三角形仍然保持对称,电力系统可以持续对用户供电1到2小时,并且电容电流比较小(小于10A),不会引起间歇性电弧,一些瞬时性接地故障能够自行消失,这对提高供电可靠性,减少停电事故是非常有效的。但随着城市电网的不断扩大及电缆出线的不断增多,系统对地电容电流急剧增加,单相接地后流经故障点的电容电流较大(超过10A)。
电弧不易熄灭、容易激发铁磁谐振过电压及产生间隙性弧光接地过电压,可能导致绝缘损坏,使线路跳闸,事故扩大,
具体为:
单相接地电弧发生间歇性的熄灭与重燃,会产生弧光接地过电压,其幅值可达4U(U为正常相电压峰值)或者更高,持续时间长,会对电气设备的绝缘造成极大的危害,在绝缘薄弱处形成击穿;造成重大损失。
由于持续电弧造成空气的离解,破坏了周围空气的绝缘,容易发生相间短路。
产生铁磁谐振过电压,容易烧坏电压互感器并引起避雷器的损坏甚至可能使避雷器爆炸。这些后果将严重威胁电网设备的绝缘,危及电网的安全运行。
为了减小单相接地故障时的对地电容电流,需要在变压器中性点装设消弧线圈等补偿装置,因此需人为建立一个中性点,以便在中性点接入消弧线圈,减小接地短路断路电流,提高系统供电可靠性。
■国内外使用现状
我国的接地变压器通常采用Z型接线(或称曲折型接线),为节省投资和变电所空间,通常在接地变压器上增加第三绕组,替代所用变压器,为变电所所用设备供电。根据我国《电抗器》国家标准规定,接地变压器的接地方式可分为直接接地;通过电抗器、电阻及消弧线圈接地。直接接地在我国还没有使用,但己有电力研究部门开始这方面的探讨。国外的接地变压器通常采用或Z型连接,用于10kV不接地系统,构成了配电网的接地保护,当系统发生接地故障时,接地变压器对正序、负序电流呈现高阻抗性,对零序电流呈现低阻抗性,使接地保护可靠动作。
■三相接地变压器

三相接地变压器此类变压器采用Z型接线(或称曲折型接线),与普通变压器的区别是,每相线圈分成两组分别反向绕在该相磁柱上,这样连接的好处是零序磁通可沿磁柱流通,而普通变压器的零序磁通是沿着漏磁磁路流通,所以Z型接地变压器的零序阻抗很小(10Ω左右),而普通变压器要大得多。按规程规定,用普通变压器带消弧线圈时,其容量不得超过变压器容量的20%。Z型变压器则可带90%~100%容量的消弧线圈,接地变除可带消弧圈外,也可带二次负载,可代替站用变,从而节省投资费用。
■单相接地变压器

单相接地变压器单相接地变主要用于有中性点的发电机、Satons变压器的中性点接地电阻柜,以降低电阻柜的造价和体积。
■工作特点
(1)零序阻抗低,以保证零序电流的输出;
(2)励磁阻抗高,以降低空载电流;
(3)空载损耗低,以节省日常运行的能耗。
■接线方式
YNyn联结
这种联结方式的变压器一般采用三相三柱式铁心,高压侧的中性点可以联结消弧线圈等实现接地。但是,当单相接地的零序电流流过高压侧绕组时,所产生的零序磁势不能被二次磁势所平衡,同方向的零序磁通又不能在三柱式铁心内形成回路,从而使得大量的零序磁通只能经过夹件、油和油箱本体而形成闭合回路,从而在油箱及夹件内引起附加损耗,以致形成局部过热,使变压器容量的利用受到***。我国电力部门的有关运行规程,曾对YNyn联结变压器的中性点联结消弧线圈的工作状态,作过下列规定:
(1)消弧线圈的容量不得超过变压器额定容量的20%;
(2)流过消弧线圈的零序电流在变压器内所产生的零序压降不得超过额定相电压的10%;
(3)流经消弧线圈的三相总零序电流不大于变压器额定相电流的60%。上述规定主要是根据零序磁通所造成的局部过热不致超过变压器绕组热点的***高温度***而决定的。
从上述可知,YNyn联结的接地变压器容量远未被利用,另外它的零序电抗值也较大。
YNd联结

YNd联结变压器与消弧线圈XL相联这种联结方式的特点是二次侧的三角形联结可提供零序电流的闭合通路,因而零序电抗较小。另外,由于每个心柱上的一、二次绕组的零序磁势得以平衡,所以零序漏磁也较小。但是,当YN联结绕组处于外部时,在油箱等部件内所引起的零序附加损耗仍不能完全避免。当它联结消弧线圈时,其容量的利用仍将受到一定***。国外的试验研究表明:考虑附加损耗、局部过热、绝缘寿命和绕组热点***高温度的***等因素后,YNd联结的接地变压器允许的工作方式为:
(1)当平时二次满载时,YN侧所接消弧线圈的容量不得超过变压器额定容量的50%;
(2)当平时二次的负载仅为变压器容量的50%,则消弧线圈容量可以等于变压器的额定容量。
尽管这种联结的二次侧可以供电给地区负载或变电所自用电,但由于三角形联结难于同时向动力与照明混合用户供电,所以它的应用将受到很大***。

YN,开口d联结与消弧线圈XL相联与YNd联结相类似的是YN,开口d的联结方式,在开口三角形一侧可接入电阻器或电抗器以调节变压器的零序电抗,接入电阻器还可以抑制网络的铁磁谐振。如采用三相五柱式铁心还可使零序阻抗值大为增加,甚至有省去一台消弧线圈的可能,但结构复杂,造价增加。另外,二次采用开口三角形结线不能满足供电给地区负载及自用电的需要,因此这种方式采用不多。
ZNyn联结

ZN,yn联结变压器与消弧线圈XL相联这种联结方式是接地变压器常用联结方式,由于曲折形结法的同一铁心柱上的上下两半绕组内的零序磁势正好大小相等、方向相反而相互抵消,使得零序漏磁通减到很小,从而使它的零序电抗值很小,它的容量可以与所联结的消弧线圈的容量相等。
国内外广泛采用的接地变压器主要是这种联结方式。由于低压侧采用yn结法,故可以同时供给地区用电或变电所的自用电。低压侧容量常小于高压侧容量,多数情况下,低压侧容量在80-200kVA的范围内。
尽管高压侧的额定容量可以与联接的消弧线圈容量相等,但Z形接法将较Y形接法多绕1.15倍的匝数,所以接地变压器的实际容量应为消弧线圈容量的1.15倍。
■工作原理

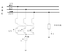
系统发生单相故障时接地变压器的工作原理图以常用的ZNyn接线说明,接地变压器在运行过程中,当通过一定大小的零序电流时,流过同一铁心柱上的2个单相绕组的电流方向相反且大小相等,使得零序电流产生的磁势正好相反抵消,从而使零序阻抗也很小。
使得接地变压器在发生故障时,中性点可以流过补偿电流。由于有很小的零序阻抗,当零序电流通过时,产生的阻抗压降要尽可能的小,以保证系统的安全。由于接地变压器具有零序阻抗低的特点,所以当C相发生单相接地故障时,C相的对地电流I经大地流入中性点,并且被等分为三份流入接地变压器,由于流入接地变压器的三相电流相等,所以中性点N的位移不变,三相线电压仍然保持对称。
但在制造过程中高压绕组的上下包的匝数和几何尺寸不可能完全相等,使得零序电流产生的磁势不可能正好相反抵消,还是产生了一定的零序阻抗,通常在6-10Ω左右,相对于星形接线的变压器的零序阻抗600Ω而言,其优势不言而喻。此外,曲折接地变压器还可以使空载电流和空载损耗尽可能小。同普通星形接线变压器比较,由于曲折接线变压器的每相铁芯是由2个铁心柱的绕组组成,结合其向量图可知,与普通星形接线变压器比较,当电压相同时要多绕1.16倍。中性点电阻接地方式下城市配电网在单相接地时,零序阻抗和正序阻抗的幅值相差很大。三相正、负序电流流过时,接地变压器的每一铁芯柱上的磁势是该铁芯柱上分属不同相的两绕组磁势的相量和。三个铁芯柱上的磁势是一组三相平衡量,相位差120°,产生的磁通可在三个铁芯柱上互相形成回路,磁路磁阻小,磁通量大,感应电势大,呈现很大的正序、负序阻抗;因此,接地变压器具有正、负序阻抗大而零序阻抗小的特点。
■主要技术参数
为适应配电网采用消弧线圈接地补偿的需要,同时也能满足变电站站用动力与照明负载的需要,选用Z型接线连接的变压器,需要合理设置接地变压器的主要参数。
(1)额定容量接地变压器一次侧容量与需要与消弧线圈容量相配套。依据现有消弧线圈的容量规格,建议把接地变压器容量设为消弧线圈容量的1.05-1.15倍。如1台200kVA消弧线圈所配用的接地变压器容量为215kVA。
(2)中性点补偿电流单相故障时流过变压器中性点的总电流:

上式中:
U为配电网线电压(V);Zx为消弧线圈的阻抗(Ω);
Zd为接地变压器一次零序阻抗(Ω/相);
Zs为系统阻抗(Ω);
中性点补偿电流的持续时间应与消弧线圈的持续工作时间相同,按规定为2小时。
(3)零序阻抗零序阻抗是接地变压器的重要参数,对于继电保护***单相接地短路电流及抑制过电压等都有重要影响。对于无二级线圈的曲折形(Z型)以及星性/开口三角形联结的接地变压器只有1个阻抗,即零序阻抗,这样制造部门能满足电力部门的要求。
(4)损耗损耗是接地变压器的1个重要性能参数,对于带有二次线圈的接地变压器,其空载损耗可以做到与同容量的双绕组变压器相同。对于负载损耗,二次侧满载运行时,由于一次侧负荷较轻,其负载损耗小于与二次侧同容量双绕组变压器的负载损耗。
(5)温升按国标对接地变压器的温升有如下规定:
1)额定持续电流下的温升应符合一般电力变压器干式变压器国标中的规定,但主要适用于二次侧经常带负荷的接地变压器;
2)对短时负载电流的持续时间在10s以内时(这种情况主要发生在中性点与电阻联结时),其温升应符合国标电力变压器中对短路条件下的温升限值的规定;
3)接地变压器与消弧线圈一起运行时其温升应符合对消弧线圈温升的规定:对于持续流过额定电流的绕组温度为80K,主要适用于星性/开口三角形联结的接地变压器;对于额定电流的***大流通时间规定为2h的绕组,规定温度为100K。
这种情况符合多数接地变压器的工作条件;对于***大流通时间规定为30min的绕组,规定温度为120K。上述规定的出发点,是根据在***严重的条件下绕组热点的***高温度不超过140℃~160℃,以保证绝缘的安全运行和不至于严重危及绝缘寿命而规定。
